3.5.2.2. Kugellager für Laufrad auswechseln
- Arbeitsvorgang 3.5.2. „Axialgebläse komplett ausbauen".

Bild M 82. Axialgebläse abnehmen
(1) Axialgebläse
(2) Keilriemen
(3) Riemenscheibe - Keilriemenscheibe (83/2) von der Welle mit Sonderwerkzeug 4160 000 0/4 -
W 20 abziehen (83/1).

Bild M 83. Riemenscheibe abziehen
(1) Abzieher
(2) Riemenscheibe
(3) Fixierzapfen für Lagerung in Konsole
(4) Ausschnitte für Keilriemendurchlauf - Laufrad samt Welle aus den Lagern mit Druckdorn und Dornpresse
herausdrücken (84).

Bild M 84. Laufrad mit Welle herausdrücken
(1) Druckdorn
(2) Welle
(3) Dornpresse - Kugellager mit Schlagbolzen von innen nach außen herausschlagen.
Anmerkung: Es wurde darauf verzichtet, eine verhältnismäßig teure Ausziehvorrichtung für diese Lager zu entwickeln, weil der Ausbau dieser Lager nur erfolgt, wenn diese defekt sind. Der Einbau neuer Lager erfolgt mit Druckdorn auf Druckpresse.
3.5.2.3. Keilriemen nachspannen
- Schraube (63/7) (14 mm SW) für Spannstrebe (63/8) für Lichtmaschine
lösen, Lichtmaschine nach unten drücken, wodurch der Riemen gespannt wird.
Beachte: Hinweise über Riemenspannung unter 3.5.1. - Nach erfolgter, vorschriftsmäßiger Spannung die Schraube für Spannstrebe wieder festziehen.
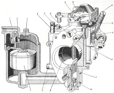
3.6.1. Beschreibung des Vergasers
Der Vergaser Typ 261-0 ist ein Erzeugnis der Berliner Vergaserfabrik.
Der Vergaser ist mittels Flansch unter Zwischenschaltung eines Flanschstutzens am Kurbelgehäuse befestigt. Das Schwimmergehäuse ist mittels Hohlschraube am Vergasergehäuse zentral befestigt.
|
(1) Schwimmerventilnadel (2) Scharnierhebel (3) Schwimmer (4) Entlüftung (5) Startkraftstoffdüse (6) Entlüftungsstutzen (7) Startmischrohr (8) Lufttrichter (9) Start-Luftdüse (10) Hauptdüse |
(11) Mischrohr (12) Leerlauf-Luftdüse (13) Startschieber (14) Leerlaufdüse (15) Klemmschraube für Starterzug (16) Drosselklappen-Anschlagschraube (17) Leerlaufgemisch-Regulierschraube |
Als Starthilfe dient eine Startvorrichtung, die durch einen Drahtzug betätigt wird.
Die Drosselklappenstellung wird mittels Fahrpedal über Seilzug reguliert.
Die Kraftstoffzufuhr erfolgt über Schlauchleitung aus dem höher gelegenen Kraftstoffbehälter im Gefälle. Dem Vergaser ist zur Reinigung des Kraftstoffes ein ausreichender Filter vorgeschaltet.
In Verbindung mit dem Schwimmer im Schwimmergehäuse wird der Kraftstoffspiegel in allen Stellen des Vergasers durch das Nadelventil konstant gehalten. Das Nadelventil besteht aus dem Ventilkörper mit Nadelsitz und der Schwimmernadel. Über einem Hebel steht das Nadelventil mit dem Schwimmer in Verbindung. Dieser drückt beim Ansteigen des Kraftstoffs die Nadel in den Nadelsitz und sperrt die Kraftstoffzufuhr ab. Beim Absinken des Kraftstoffspiegels gibt die Schwimmernadel erneut den Kraftstoffdurchfluss frei, um wieder zu schließen, wenn der Maximalstand erreicht ist.

Bild M 86. Vergaser ausbauen
(1) Schwimmergehäuse-Deckel
(2) Start-Oberteil
(3) Klemmschraube für Startzug
(4) Leerlaufgemisch-Regulierschraube
(5) Drosselklappen-Anschlagschraube
(6) Seilzug für Drosselklappen-Betätigung
(7) Startzug
(8) Klemmschraube für Startzug
3.6.2. Vergaser aus- und einbauen
Ausbau:
- Kraftstoffhahn schließen.
- Kraftstoffschlauch vom Vergaser abschrauben.
- Seilzug für Drosselklappenbetätigung am Drosselklappenhebel aushängen.
Drahtzug (86/3) für Startvergaser (86/7) abklemmen, Druckschraube (86/8) für die Drahthülle lösen, Drahtzug aus dem Startvergaser herausziehen. - Schlauch vom Luftsaugstutzen abziehen. Zwei Muttern (14 mm SW) am Vergaserflansch abschrauben, Vergaser nach vorn abnehmen.
Einbau:
Der Einbau des Vergasers erfolgt in umgekehrter Reihenfolge des Ausbaues.








